
Раздвижные двери ПВХ
Типы раздвижных дверей G-U. Принципы их работы.
Складные двери G-U "гармошка". Принцип их работы.
Общее описание порталов
Раздвижной портал
PSK или PS
Подходит для жилого помещения

Максимальные размеры:
Ширина 6400мм
Высота 2700мм
Площадь открытия створок:
50% от всего остекленного пространства
Опции:
Двусторонняя ручка
Замок с личинкой под ключ
Ламинация профиля под дерево
Окраска профиля в любой цвет
Складной портал FS
"гармошка"
Не подходит для жилого помещения
Максимальные размеры:
Ширина 6300мм
Высота 2360мм
Площадь открытия створок:
100% от всего остекленного пространства
Опции:
Двусторонняя ручка
Замок с личинкой под ключ
Ламинация профиля под дерево
Окраска профиля в любой цвет
Наиболее популярные типы порталов
Портал - выход на лоджию
Сдвижные двери типа ПСК как выход на лоджию.
Портал в коттедж - плюсы
Штульповый портал типа ПСК в коттедж.
Две створки освобождают широкий проём без вертикальной стойки.
Портал в коттедж - ограничения
Штульповый портал типа ПСК в коттедж.
Две створки освобождают широкий проём без вертикальной стойки.
Складной портал для веранд и беседок
Сдвижные двери типа ПСК как выход на лоджию.
Требования к отоплению

Внутрипольный конвектор для отопления портальных дверей
Способы обустройства отопления | |
|---|---|
Рекомендуется | Встроенные в пол конвекторы Они не мешают проходу, но относительно дороги в установке |
Допустимо | Низкие напольные радиаторы Можно можно установить под глухую часть портала. |
Допустимо | Вертикальные настенные радиаторы Такие радиаторы не мешают проходу, но прогревают портал только по бокам. Зато их можно установить на стене рядом с открывающейся створкой. |
Не рекомендуется | Тёплый пол К сожалению, многие выбирают именно этот способ отопления, но он же является самым негодным, т.к. не всегда обеспечивает достаточного притока тепла к стеклу. |

Настенный конвектор удобно располагается со стороны сдвижной створки
Особенности нашей сборки
- 1. Профиль не ниже класса А (ВЕКА СОФТЛАЙН 70, 82)
- 2. Армирование профиля — усиленное (толщиной 1,8 - 2,0мм)
- 3. Фурнитура немецкого или австрийского производства (G-U, ROTO, Siegenia или Maco)
- 4. Внешнее и внутреннее стёкла — 6мм толщиной
- 5. Энергосберегающее покрытие стекла (обычно два слоя) — для компенсации теплопотери через стекло
- 6. Если есть среднее стекло, то — не менее 5мм толщиной
- 7. С трёх сторон устанавливаем доборные профили для удобства выполнения внутренней отделки в будущем
- 8. Если портал из двух и более контуров — статический усилитель между ними
- 9. Все доборные профили обязательно армируем
Тонкий профиль класса Б, слабое армирование, стёкла всего лишь 4мм толщиной — всё это может привести к созданию ненадёжной конструкции, которую невозможно будет отрегулировать, или к саморазрушению стеклопакета из-за слипания стекол.

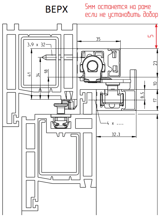
Фрагмент сечения портала ПСК mZ 150-966
![Изображение для [object Object]](/_next/image?url=%2F_next%2Fstatic%2Fmedia%2Fporog_otopl_1.ab98d5ed.png&w=750&q=95)
![Изображение для [object Object]](/_next/image?url=%2F_next%2Fstatic%2Fmedia%2Fportal5.a020ef03.jpg&w=750&q=95)
![Изображение для [object Object]](/_next/image?url=%2F_next%2Fstatic%2Fmedia%2Fportal_radiator_1.c536fb13.png&w=1080&q=95)
![Изображение для [object Object]](/_next/image?url=%2F_next%2Fstatic%2Fmedia%2Fportal_part_1.c1451268.png&w=750&q=95)